随着社会的进步,科学的发展,人类对能源的需求愈来愈大,由于电力在人们生活当中是不可缺少的一分重要的资源,从而促进电力工业的迅猛发展,随着网路电压 的提高和新的生产工艺、技术,对预防性试验放在了议事日程上。为了增加输出发配电设备的使用寿命,现对一些设备提出局部放电试验的要求。
为了适应不同电压等级,不同容量,在不同的使用环境和条件下工作。我公司设计了四种型号六十多种规格的无局部放电工频试验变压器及其成套装置。
从结构型式上分,可分为:单相铁壳式,单相铁壳串级式,单相绝缘筒外壳式和单相绝缘筒外串级四种。单相铁壳式一般适用于电压、容量较低且便于携带或电压容 量较大固定式,但对局部放电量要求较低的气场合,电压不太高,且比较固定使用的场合;单相绝缘筒式串级式,主要适用于对局部放电要求较高,电压高、容量 大,或电压低容量小,便于携带的场合,以上四种型号用户根据不同要求自行选择。
使用贮存条件:
1.海拔高度不超过1000米。
2.周围空气温度-10℃—+40℃,空气相对湿度不大于85%(+20%),从一个环境换到另一个环境,温差不得大于15℃。
3.无导电尘埃存在。
4.无火灾及瀑炸危险。
5.不含有腐蚀金属和绝缘的气体存在。
6.无剧烈振动和碰撞的场所。
7.地平水平面不超过3度
8.电源电压的波形为实际正弦波,波形畸变率小于1%,频率为50Hz,电源侧应不遭受来自外部的大气过电压。
9.设有一个可靠接地点,接地电阻小于1欧姆。
产品参数:
1.局部放电量
(1)10-200KV额定高压输出,在100%UH下局部放电量≤3-5PC。
(2)250-300KV额定高压输出,在100%UH下局部放电量≤5PC。
(3)350-750KV额定输出,在80%UH下局部放电量≤5PC,100%UH下≤10PC。
(4)80KV-1500KV额定高压输出,在80%UH下局部放电量≤10PC。
2.串接式变压器,变压器电压分布不对称度≤5%
3.试验变压器在额定电压额定电流下,从环境度开始,可运行30min,在三分之二额定电压三分之二额定电流下,可连续运行。
4.单台试验变压器阻抗为3%-12%,串接阻抗为5%-40%。
5.波形畸变率<5%。
6.其余参数符合ZBK41006-89〈试验变压器〉规定。
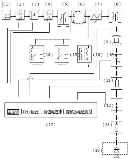
设备组成:
(1)电源(用户自配)(0.22KV、0.38KV、6KV、10KV均可)
(2)一次开关柜(或电源箱)(根据控制台选)
(3)调压器 (4)二次开关柜(选择)
(5)隔离变压器(选件) (6)电源噪音滤波器(选件)
(7)电子快速保护器(选件) (8)工频无局放试验变压器
(9)金属丝线保护电阻 (10)工频无局放电容分压器
(11)导电杆(选件) (12)耦合电容器(选件)
(13)导电杆(选件) (14)三次谐波滤波器(选件)
(15)五次谐波滤波器(选件) (16)补偿电抗器组(选件)
(17)控制台(选件) (18)试区
使用方法:
1.准备工作
A.选择合适容量、电压的电源。
B.接线前将各设备全理就位,选择好对周围物体距离。
C.按照项5设备组成图选择合适导线,正确接好每一根线,高压尾和测量绕组端子严格接地。
D.接好各设备的接地线,特别注意接地点应为实际上的一点接地。
2.开机前准备工作及手动自动操作程序。(参照控制台使用说明书)。
注意事项:
1.主回路电源应满足**输出功率。
2.在升压时,切要观察各表计是否在正常情况下工作,严禁超负荷工作。
3.所有接地为一点接地
4.设备严禁倾倒,缺油时严禁使用。
5.绝缘外壳及铁外壳的高压套管,严禁碰撞,划伤。
6.整体设备严禁在空气温度低于-5℃时存贮或使用。
7.设备调换环境时,环境相对温差不得大于15℃。
8.套管及外壳表面严禁覆水、冰、雪,室内使用设备严禁室外存贮。
9.试验结束后,设备控制台钥匙应拔出保管。
10.在使用本套设备前,必须认真阅读说明书,尤其是第六、七二项中所规定的必须严格遵守。
| 型号规格 | 额定容量(kVA) | 高压电压(kV) | 矮压电压(kV) | D × H(mm) | 沉量(kg) |
| TQSW-5/50 | 5 | 50 | 0.22 | 320 × 431 | 45 |
| TQSW-10/100 | 10 | 100 | 0.22 | 570 × 725 | 165 |
| TQSW-30/100 | 30 | 100 | 0.38 | 800 × 1036 | 315 |
| TQSW-15/150 | 15 | 150 | 0.38 | 1165 × 1667 | 695 |
| TQSW-50/250 | 50 | 250 | 0.38 | 1280 × 1970 | 1100 |
| TQSW-100/100 | 100 | 100 | 0.38 | 1130 × 1485 | 1350 |
| TQSW-100/150 | 100 | 150 | 0.38 | 1800 × 1953 | 1980 |
| TQSW-200/200 | 200 | 200 | 0.6 | 2500 × 2445 | 4500 |
| TQSW-150/250 | 150 | 250 | 0.6 | 2150 × 2443 | 4230 |
| TQSW-250/250 | 250 | 250 | 0.6 | 2500 × 2555 | 6100 |
| TQSW-1000/250 | 1000 | 250 | 3、6、10 | 3600 × 2800 | 12000 |
| TQSW-300/300 | 300 | 300 | 3、6 | 2600 × 3300 | 6280 |
| TQSW-450/300 | 450 | 300 | 3、6 | 3050 × 2920 | 8000 |
| TQSW-600/300 | 600 | 300 | 3、6 | 2600 × 3460 | 10600 |
| TQSW-800/400 | 800 | 400 | 3、6、10 | 3600 × 4800 | 14000 |
| TQSW-1200/400 | 1200 | 400 | 3、6、10 | 3600 × 4875 | 19000 |
| TQSW-100/500 | 100 | 500 | 3、6、10 | 3300 × 5300 | 8100 |
| TQSW-250/500 | 250 | 500 | 3、6、10 | 3600 × 5200 | 11600 |
| TQSW-200/500 | 200 | 500 | 3、6、10 | 3300 × 5300 | 8800 |
| TQSW-500/500 | 500 | 500 | 3、6、10 | 3600 × 5210 | 23540 |
| TQSW-1000/500 | 1000 | 500 | 3、6、10 | 3600 × 5300 | 25400 |
| TQSW-2200/550 | 2200 | 550 | 6、10 | 3600 × 6000 | 36000 |
| TQSW-2000/500 | 2000 | 500 | 6、10 | 3600 × 5400 | 34880 |
| 型号规格 | 额定容量(kVA) | 高压电压(kV) |
电源电压 (kV) |
D(mm) | D × H(mm) | 沉量(kg) |
| TQSW-5/2×50 | 5 | 100 | 0.38 | φ270 | φ415 × 1074 | 110 |
| TQSW-10/2×80 | 10 | 160 | 0.38 | φ327 | φ470 × 1219 | 150 |
| TQSW-20/2×100 | 20 | 200 | 0.38 | φ600 | φ900 × 2100 | 200 |
| TQSW-100/2×100 | 100 | 200 | 0.38 | φ830 | φ1290 × 3500 | 2680 |
| TQSW-45/2×200 | 45 | 400 | 0.38 | φ830 | φ1290 × 3255 | 1730 |
| TQSW-150/2×125 | 150 | 250 | 0.38 | φ1100 | φ1600 × 3500 | 4770 |
| TQSW-25/2×125 | 25 | 250 | 0.38 | φ680 | φ1200 × 2120 | 870 |
| TQSW-45/2×150 | 45 | 300 | 0.38 | φ830 | φ1420 × 2500 | 2530 |
| TQSW-150/2×150 | 150 | 300 | 0.38 | φ1100 | φ1600 × 4000 | 5000 |
| TQSW-300/2×150 | 300 | 300 | 0.38 | φ1100 | φ1600 × 4000 | 7880 |
| TQSW-100/2×200 | 100 | 400 | 0.38 | φ1100 | φ1500 × 3620 | 4280 |
| TQSW-250/2×250 | 250 | 500 | 0.6、3、6 | φ1600 | φ2600 × 5580 | 15800 |
| TQSW-500/2×250 | 500 | 500 | 0.6、3、6 | φ1600 | φ2600 × 5580 | 16400 |
| TQSW-300/2×300 | 300 | 600 | 0.6、3、6 | φ1600 | φ2050 × 6205 | 16700 |
| TQSW-600/2×300 | 600 | 600 | 3、6 | φ2030 | φ3300 × 8395 | 19000 |
| TQSW-750/2×375 | 750 | 720 | 3、6 | φ2360 | φ3600 × 8395 | 38400 |
| TQSW-200/2×500 | 200 | 1000 | 3、6、10 | φ1600 | φ3600 × 8350 | 12400 |
| TQSW-1000/2×500 | 1000 | 1000 | 3、6、10 | φ2450 | φ4500 × 11800 | 48500 |
| TQSW-2000/2×500 | 2000 | 1000 | 3、6、10 | φ2450 | φ4500 × 13500 | 42000 |
| TQSW-2400/2×400 | 2400 | 800 | 3、6、10 | φ2500 | φ3500 × 11000 | 50000 |
| TQSW-1200/3×400 | 1200 | 1200 | 3、6、10 | φ2500 | φ4500 × 14000 | 62000 |
| TQSW-2400/3×400 | 2400 | 1200 | 3、6、10 | φ2500 | φ4500 × 15000 | 70000 |

Copyright © 调压器大电流线电流电压表-上海交通大学科技园上海舒佳电气有限公司021-54358329 版权所有 沪ICP备10206185号-47
全国服务电话:021-54358329 传真:021-54011883
公司地址:上海市徐汇区龙吴路1500号(021-54358329) 网站地图 上海舒佳阿里巴巴诚信通店铺